Mechanical Drafting Services for Accurate Engineering Documentation

Precise 2D and 3D mechanical drawings that support design development, fabrication, and construction documentation for HVAC, piping, and mechanical equipment projects.

  • Produce detailed mechanical drawings from design inputs, sketches, or existing documents
  • Support fabrication with dimensioned shop drawings and assembly details
  • Deliver drawings compliant with ASME, ASHRAE, and SMACNA standards
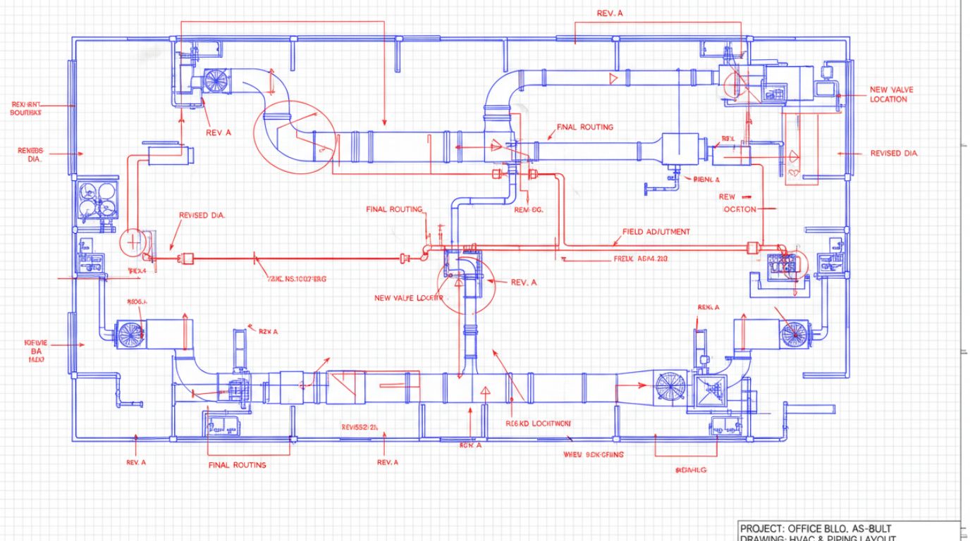
Mechanical drafting services in the USA showing detailed 2D HVAC duct and piping layout drawings with dimensions and annotations

Professional Mechanical Drafting Services

As a full-service BIM Company in Texas, BIMPRO supports mechanical drafting requirements across all project phases, from design development through construction documentation. Our mechanical drafting services in the USA deliver accurate, standards-compliant 2D and 3D drawings for HVAC systems, mechanical piping, equipment layouts, and construction documentation. We create detailed mechanical drawings that represent system routing, component dimensions, assembly details, and fabrication specifications based on your engineering inputs and project requirements.

These drawings are used across design documentation, permit submissions, fabrication planning, and construction execution. By producing clear and dimensioned mechanical drawings from the outset, teams reduce interpretation errors, simplify fabrication workflows, and accelerate project delivery timelines. These drawings are often integrated with broader MEP BIM services for multidisciplinary coordination.

How Mechanical Drafting Is Used in Professional Workflows

Mechanical drafting is used by mechanical engineers, HVAC contractors, fabricators, and construction firms to translate design concepts into dimensioned, standards-compliant technical drawings. These drawings are typically developed from engineering calculations, hand sketches, marked-up PDFs, CAD files, or existing as-built records and structured to convey precise spatial relationships, dimensions, tolerances, and assembly information.

In professional workflows, mechanical drafting serves as the backbone of construction and fabrication documentation. Detailed HVAC layout drawings guide duct fabricators. Piping arrangement drawings define routing, sizing, and connection details. Equipment general arrangement (GA) drawings communicate installation requirements to field teams. Compared to rough sketches or verbal instructions, formal mechanical drawings eliminate ambiguity and create a verifiable record that supports quality assurance throughout the project.

Mechanical drafting also bridges the gap between design engineering and BIM. When BIM models are not required, detailed 2D and 3D CAD drawings serve as the primary documentation for coordination, bidding, and construction. When BIM is involved, mechanical drafting supports the production of shop drawings, spool sheets, and installation details extracted from coordinated models, all integrated through mechanical BIM services for fully coordinated project delivery.

Our Mechanical Drafting Services for Every Project Need

We offer a complete range of mechanical drafting services in the USA, covering different documentation needs from conceptual design through fabrication and as-built records. Each drawing set is customized to the project phase, engineering standards, and client requirements.

HVAC Layout and Duct Drawings

HVAC layout and duct drafting service in USA showing 2D ductwork plan with sizing, routing, and air terminal locations

We produce detailed HVAC layout drawings that include duct routing, duct sizing, air terminal locations, diffuser placements, damper positions, and connections to air-handling equipment. These drawings are prepared with proper layering conventions and dimensional accuracy for permit submissions and fabrication.

Mechanical Piping Drawings

Mechanical piping drafting service showing 2D piping arrangement drawing with pipe sizes, fittings, valves, and elevation details

Our piping drafting services cover plan views, sections, elevations, and isometric drawings for hydronic systems, chilled water lines, steam piping, condensate returns, and refrigerant piping. Drawings include pipe sizes, fittings, valves, supports, slope notations, and connection details.

Equipment General Arrangement (GA) Drawings

Mechanical equipment general arrangement drawing showing boiler room layout with equipment placement, clearances, and connection points

We create equipment GA drawings that show the placement, orientation, and spatial relationships of mechanical equipment such as boilers, chillers, AHUs, pumps, and cooling towers. These drawings include clearance zones, access paths, foundation details, and utility connection points.

Mechanical Shop Drawings and Fabrication Drawings

Mechanical shop drawing showing fabrication-ready duct details with dimensions, material specifications, and assembly instructions

We produce mechanical shop drawings with fabrication-level detail, including exact dimensions, material specifications, weld callouts, and assembly sequences. These drawings support duct fabricators, piping contractors, and mechanical equipment installers.

Mechanical As-Built Drawings

Mechanical as-built drawing showing updated HVAC and piping layouts reflecting actual installed conditions with redline markups incorporated

We create and update mechanical as-built drawings that reflect actual field-installed conditions. These drawings incorporate redline markups, field measurements, and change orders to produce an accurate record of the mechanical systems as constructed.

2D to 3D Conversion for Mechanical Systems

2D to 3D mechanical drawing conversion showing transformation of flat piping layout into a three-dimensional CAD model

We convert existing 2D mechanical drawings into detailed 3D CAD models. This service helps teams visualize spatial relationships, identify coordination issues, and prepare documentation for BIM integration or client presentations.

Industries We Serve with Mechanical Drafting Services

Our mechanical BIM services support a wide range of industries where coordination accuracy and system reliability are critical:

Commercial and Office Buildings

Educational Facilities

Hospitality and Hotels

Retail and Mixed-use Developments

Residential and Multi-family Housing

Healthcare Buildings

Benefits of Our Mechanical Drafting Services

  • Accurate 2D and 3D drawings with proper dimensions and annotations
  • Standards-compliant documentation (ASME, ASHRAE, SMACNA)
  • Reduced fabrication errors through clear shop drawings
  • Faster permit and approval cycles with complete drawing sets
  • Clean as-built records for facility management
  • Cost-effective alternative when full BIM is not required
Mechanical drafting sketch vs clean CAD drawing comparison

Why Choose BIMPRO for Mechanical Drafting Services?

BIMPRO has delivered mechanical drafting services for commercial, industrial, healthcare, and institutional projects across the USA. Our team brings hands-on experience with HVAC systems, piping networks, and mechanical equipment documentation, producing drawing sets that are accurate, code-compliant, and ready for permit submission, fabrication, or construction.

Experienced Drafting Professionals

Our team has years of experience producing mechanical drawings for projects of varying complexity, from small commercial fit-outs to large industrial facilities.

Standards-Compliant Approach

We follow ASME, ASHRAE, SMACNA, and client-specific drafting standards to ensure every drawing meets engineering and regulatory requirements.

Flexible Input Formats

We work with engineering calculations, hand sketches, marked-up PDFs, CAD files, scan data, and BIM exports, adapting to whatever project information is available.

Fast Turnaround

Our drafting workflows are optimized for efficiency. We deliver high-quality drawings within agreed timelines without compromising accuracy.

Consistent Quality Control

Every drawing set is reviewed by experienced professionals before delivery to ensure dimensional accuracy, proper layering, and compliance with project standards.

Software and Tools We Use

Our mechanical drafting team works with AutoCAD, Revit MEP, and other industry-standard platforms depending on project requirements. Drawings are produced with consistent layer standards, annotation styles, and title block formats aligned to client or project specifications. We deliver in DWG, DXF, RVT, and PDF formats.

Our Mechanical Drafting Process

Our process is simple, structured, and transparent.

Step 1: Project Input Review

We review engineering inputs, reference documents, project standards, and scope requirements.

Step 2: Drafting Standards Setup

We configure CAD templates, define layer standards, set scale and units, and align with client drafting protocols.

Step 3: Mechanical Drawing Production

Our team produces the mechanical drawings based on approved inputs, including plans, sections, elevations, details, and isometrics.

Step 4: Quality Check and Review

Drawings undergo internal quality review for dimensional accuracy, annotation completeness, and standards compliance.

Step 5: Client Review and Delivery

We incorporate client feedback and deliver finalized drawing sets in agreed formats (DWG, DXF, PDF, or RVT).

Mechanical Drafting Services in Texas and Across the USA

BIMPRO proudly delivers mechanical drafting services across the USA. Our services are available in the following states and key cities:

…and many more locations across the United States.

Our mechanical drafting services are not location-restricted. We support clients across all 50 states, helping engineers, contractors, and fabricators produce accurate mechanical documentation with speed and reliability.

Explore Our Mechanical Drafting Projects

We have delivered mechanical drafting services for commercial, industrial, healthcare, and residential projects across the USA. Our project experience demonstrates our ability to translate engineering inputs into accurate and complete mechanical drawing sets.

MEP BIM Modeling Services for Tesla Giga Factory Project in Austin, TX - BIMPRO USA

MEP BIM Services for Tesla Giga Factory in Austin, TX As a BIM Services provider …

MEP BIM Coordination and for Residential Project in Everett, MA

MEP BIM Modeling and Clash Analysis Services for a Residential Project in Everett, MA BIMPRO …

MEP BIM Services for Educational High School Project in Austin, Texas

BIM Modeling and Coordination Services for Educational Project in Austin, TX BIMPRO LLC delivered top-notch …

BIM modeling and coordination services for a multi-family residential project in Austin, Texas

BIM Coordination Services for Residential Project in Austin, TX We have provided BIM modeling and …

Our Mechanical Drafting Blogs

Stay updated with the latest in mechanical drafting standards, CAD best practices, and construction documentation tips through our blogs. Our content is crafted to help engineers and contractors make informed decisions about their documentation processes.

Best Practices for BIM Coordination in Construction Projects - BIMPRO LLC

Building Information Modeling (BIM) has fundamentally transformed the way construction projects are planned and executed. …

Navisworks vs Revizto for BIM Coordination & Clash Detection - BIMPRO LLC

Navisworks vs Revizto: Choosing the Best Tool for BIM Coordination and Clash Detection When you’re …

BIM in Construction Industry USA

BIM in Construction Industry Building Information Modeling (BIM) has had a profound impact on the …

MEP Coordination Services for Residential Apartment Project in USA

Setup of MEP coordination services framework presents a significant challenge for complex Apartment projects. Today, …

Frequently Asked Questions About Mechanical Drafting Services

What are mechanical drafting services?

Mechanical drafting services involve creating detailed 2D and 3D technical drawings for HVAC systems, piping networks, and mechanical equipment. These drawings include plans, sections, elevations, isometrics, and shop details with proper dimensions, annotations, and material callouts to support design documentation, fabrication, and construction.

We produce HVAC layout drawings, piping arrangement drawings, equipment general arrangement (GA) drawings, shop drawings, fabrication drawings, spool sheets, isometric drawings, and as-built drawings. Each drawing type is tailored to the project phase and documentation requirements.

We can work with engineering calculations, hand sketches, marked-up PDFs, existing CAD files, BIM model exports, scan data, and reference images. If documentation is incomplete, we review available inputs and advise on additional information needed.

We follow ASME, ASHRAE, SMACNA, and project-specific drafting standards. Our drawings comply with applicable engineering codes and client drafting protocols to ensure accuracy and regulatory alignment.

Yes. We convert 2D mechanical drawings into 3D CAD models that help teams visualize spatial relationships, identify coordination issues, and support BIM integration or fabrication planning.

We deliver drawings in DWG, DXF, PDF, and RVT formats based on client requirements. We can also provide drawings in other formats when specified.

We deliver drawings in DWG, DXF, PDF, and RVT formats based on client requirements. We can also provide drawings in other formats when specified.

BIMPRO combines engineering understanding with drafting precision. Our team delivers standards-compliant drawings with clear communication, fast turnaround, and consistent quality control for engineers, contractors, and fabricators across the USA.

Ready to Start Your Mechanical Drafting Project?

If you need accurate and professional mechanical drafting services, BIMPRO is ready to support your project. Share your engineering inputs or design documents, and we will provide a clear quote and delivery timeline.


Get accurate, standards-compliant mechanical drawings delivered on time.